找回密码
 立即注册

QQ登录

只需一步,快速开始

搜索

[电阻] 标准电阻器的四个接线端是什么关系?

 火.. [复制链接]
incineration 发表于 2011-1-14 16:13:18 | 显示全部楼层 |阅读模式
直流标准电阻器的四个接线端是什么关系?电阻测量中的四端法是运用什么原理?向各位大师请教
lymex 发表于 2011-1-14 17:39:29 | 显示全部楼层
是两个电流端子和两个电压端子,利用V-I法测试电阻。
4wire.jpg
如图,可以认为A端和B端是电流端子,测试的时候通以一定的电流,然后从电压端子C和B测量电压,利用欧姆定律就可以得到两个定义点(Kelvin接点)α和β之间的电阻。
对于小阻值的电阻,测试时由于接触电阻和引线电阻的影响,二线法测试不准。而采用4线法,就可以排除接触电阻和引线电阻的影响。无论接到A和B的引线有多长,电流不受影响。而C和D点只测试电压,可以认为没有电流通过,因此也与引线电阻和接触电阻无关。高精密测试时,甚至到100k时都有必要采用4线法。
四线法的优势,不仅消除了引线电阻和接触电阻,还可以大大减少热电动势的影响。因为电流端子是发热的源泉之一,但分开后由于恒流的作用,到底串联多大电阻、甚至串联个电池,都没有关系了,都是恒流的,因此接线端子也可以用很普通的。另一方面,两个电压端子由于不流过电流,因此不发热,并且距离发热的电流端子保持一定的距离,也可以减少热传导过来,接线端子可以单独采用低热的。

有一些标准电阻在制作的时候不区分到底是电流端还是电压端,例如A和C的做法一样,可以混用,例如Fluke 742B。
09.jpg

但也有一些标准电阻例如国产的BZ3,内部引线没有区分,但外部接线端子有大有小。一般认为大端子是电流的、小的是电压的,不过我认为在小电流应用场合大端子做电压端子更有优势,因为低热性好。
01.jpg
03.jpg


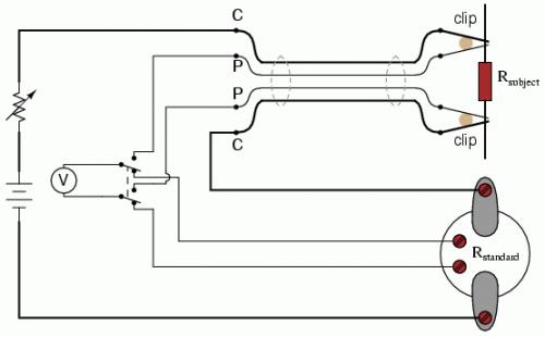
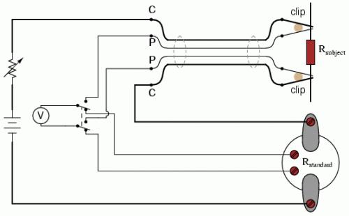
大部分测试测试小电阻的仪器都具备4线功能。比如开尔文(Kelvin)双臂电桥。其实,精密测试标准电阻大部分场合用的还是对比法,如下图所示,两个电阻通以相同的测量电流,然后用转换开关分别测试两个电压端的电压进行对比。只要电流稳定,那么电流值具体有多大可以不去关心。电压的比值就是电阻的比值。如果用2线电阻,也必须转换成4线测试。
00481.gif
回复 支持 反对

使用道具 举报

quanquanzhu 发表于 2011-1-15 09:02:38 | 显示全部楼层
赞,楼上讲的太详细了,请问楼上如果要建标准电阻的标需要什么仪器、建电阻箱的标需要什么仪器
回复 支持 反对

使用道具 举报

 楼主| incineration 发表于 2011-1-16 00:24:52 | 显示全部楼层
回复 2# lymex


    非常感谢 lymex 兄弟的详细解答!不胜感激!
回复 支持 反对

使用道具 举报

bgqjm 发表于 2011-1-17 09:25:49 | 显示全部楼层
建标要依据国家计量检定规程,电阻箱的规程是JJG982-2003,电阻器的检定规程号是JJG166-1993
回复 支持 反对

使用道具 举报

平安福 发表于 2011-4-28 11:08:13 | 显示全部楼层
回复 1# incineration


    粗的两个是电流端,其余两个是电压端
回复 支持 反对

使用道具 举报

mengtuteng 发表于 2011-9-5 17:13:03 | 显示全部楼层
电阻箱的建标可以用等级高的数字欧姆表或多用表,但是标准电阻的就不知道了,我还没建标!
回复 支持 反对

使用道具 举报

礼匪 发表于 2011-9-6 09:17:00 | 显示全部楼层
LYMEX 大侠请问
http://www.gfjl.org/attachment.p ... 3D&noupdate=yes
如图四端对电阻如果当成两线制电阻器检测,测量方法为四线制,是把两对线分别接在αβ端好,还是把电位端接在αβ端,电流端接在A和B端好?
回复 支持 反对

使用道具 举报

lymex 发表于 2011-9-6 22:10:00 | 显示全部楼层
没太明白楼上的意思,既然4端电阻当两端电阻检测,那检测线就只有2条。
α、β两点,是内部的开尔文接点,不在外部暴露,是测试不到的。在电阻外部只能把测试线接到ABCD上。
回复 支持 反对

使用道具 举报

礼匪 发表于 2011-9-7 09:03:30 | 显示全部楼层
我说的不清楚。
我说的只是举例,我关心的是电流端和电位端并接在一起,对四线测量电阻的影响
举例说如果用四线制测量两线制直流电阻箱的0.01欧电阻,将电流电压端子(插片)并接在接线柱上,和将电位端接在靠近电阻箱端(和前一个接法同位置),电流端香蕉头插在接线柱上(就是电流电位端分开),差别可达2%,想不通,但测下来就这样。
回复 支持 反对

使用道具 举报

lymex 发表于 2011-9-7 10:48:38 | 显示全部楼层
回楼上,4线法测试2线电阻,注意4个夹子不能互相接触,那样测试的内容就包含夹子本身的特性了。
这种测试方式,是近端原则,即测试的是距离最接近电阻的两个点的电阻。
因此,理论上两对线任意接,电流夹子和电压夹子任意颠倒都没有关系。你可以在电阻端接好线不动,通过在仪器端互换电压和电流插头,来验证这一理论。
回复 支持 反对

使用道具 举报

礼匪 发表于 2011-9-7 11:20:39 | 显示全部楼层
现在关键是电压位置不动,电流端子换地方测量误差非常大。
回复 支持 反对

使用道具 举报

bzcard 发表于 2011-9-7 15:47:52 | 显示全部楼层
回复 3# quanquanzhu


    检定标准电阻可以考虑用高等级数表或者是QJ55直流电桥,QJ55用了很多年,感觉性能不错!
回复 支持 反对

使用道具 举报

zhouxun 发表于 2011-12-27 08:28:11 | 显示全部楼层
楼主讲得很好啊,明白了!
回复 支持 反对

使用道具 举报

zsxlh 发表于 2012-4-15 12:17:45 | 显示全部楼层
进来学习、明白了。谢谢!
回复 支持 反对

使用道具 举报

fuzerg 发表于 2013-6-8 16:29:28 | 显示全部楼层
lymex 解说的非常好,赞!
回复 支持 反对

使用道具 举报

jxsz 发表于 2013-12-28 15:41:20 | 显示全部楼层
是電壓端子和電流端子,並且不能互換使用的。
回复 支持 反对

使用道具 举报

94541324 发表于 2017-6-26 09:33:10 | 显示全部楼层
学习了!感谢大虾!!!!!!!!!!
回复 支持 反对

使用道具 举报

您需要登录后才可以回帖 登录 | 立即注册

本版积分规则

Archiver|手机版|小黑屋|计量论坛 ( 闽ICP备06005787号-1|闽公网安备35020602000072号 )
电话:0592-5613810 QQ:473647 微信:gfjlbbs 原国防计量论坛(-=始于2005年=-)

GMT+8, 2026-4-6 08:15

Powered by Discuz! X3.5

© 2001-2026 Discuz! Team.

快速回复 返回顶部 返回列表