找回密码
 立即注册

QQ登录

只需一步,快速开始

搜索

[坐标] 用三坐标如何测量复合位置度?

[复制链接]
wangruichao 发表于 2011-12-13 19:52:27 | 显示全部楼层 |阅读模式
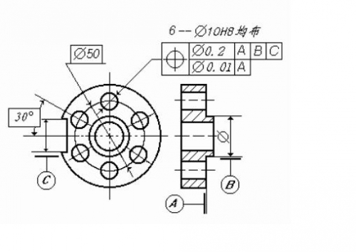
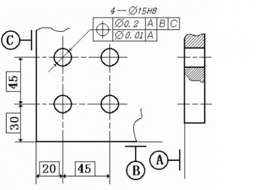
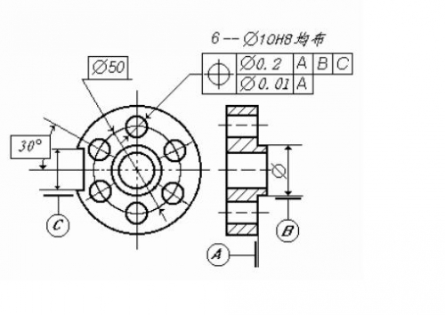
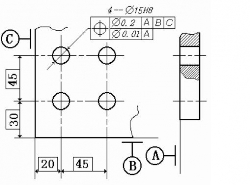
如图示,标注框的下框的位置度如何测量?
复合位置度1.JPG
复合位置度2.JPG
yj407 发表于 2011-12-14 22:24:47 | 显示全部楼层
这是一个复合位置度。表示被测要素既要素与A基准面垂直度以及被测要素自身之间的位置误差者要在公差要求以内。
针对该复合位置度下框部分这样测:
1、以A基准面建投影面,设为Z工作平面。
2、将被测要素打成圆柱,用这几个圆柱的质心点建座标(建轴向和归X、Y零点)。
3、分别评价被测要素轴线两个端点的位置度,若都在0.01以内则全合格。
回复 支持 反对

使用道具 举报

 楼主| wangruichao 发表于 2011-12-15 20:04:13 | 显示全部楼层
回复 2# yj407


    可是有一点我不明白,“设为Z工作平面”,我们用的是蔡司的机子,不明白这一点是什么意思?
回复 支持 反对

使用道具 举报

yj407 发表于 2011-12-15 20:57:22 | 显示全部楼层
回复 3# wangruichao

就是建立座标系的第一步,建立第一轴向,一般为Z轴,也就是将A基准面建成XY平面。我用的是PC-DIMS。不过所有三座标软件建座标系的原理都应该是一样的。
回复 支持 反对

使用道具 举报

您需要登录后才可以回帖 登录 | 立即注册

本版积分规则

Archiver|手机版|小黑屋|计量论坛 ( 闽ICP备06005787号-1|闽公网安备35020602000072号 )
电话:0592-5613810 QQ:473647 微信:gfjlbbs 原国防计量论坛(-=始于2005年=-)

GMT+8, 2026-4-7 04:00

Powered by Discuz! X3.5

© 2001-2026 Discuz! Team.

快速回复 返回顶部 返回列表