找回密码
 立即注册

QQ登录

只需一步,快速开始

搜索

[工程参量] 请教位置度测量,急盼

  [复制链接]
zhx730621 发表于 2012-5-14 10:14:34 | 显示全部楼层 |阅读模式
本帖最后由 zhx730621 于 2012-5-14 10:18 编辑

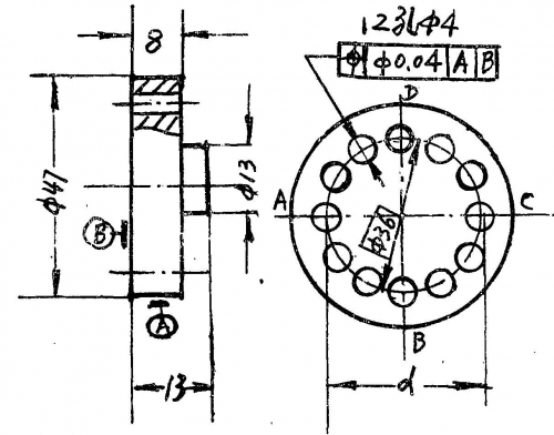
未标题-1.jpg 我现在有一个零件见图,使用PC-DIMS编程如何测量?急盼
廖枫 发表于 2012-5-14 10:28:45 | 显示全部楼层
你学过编程么?没学过的话,我建议你先用你仪器的自学习模式.让机器记录你的运行轨迹.这样测出来的结果是一样的.你可以试一下.
回复 支持 反对

使用道具 举报

 楼主| zhx730621 发表于 2012-5-14 16:24:29 | 显示全部楼层
我学过,我是想不用CNC的方式进行测量,采用编程方式进行测量
回复 支持 反对

使用道具 举报

xizi 发表于 2012-6-3 11:39:34 | 显示全部楼层
A基准是Ф47的圆,B基准是平面,这样好测,使用余弦定理公式,配件发布了12个小圆,他们夹角是30度,这样可以测出每个小圆和A基准连线的夹角,每个角度实测值有了就可以算了!a^2=b^2+c^2-2bcCOSA,其中"b"和"c"都等于Ф47的半径,也就是23.5,“A”是实际角度与理论角度的偏差值!
回复 支持 反对

使用道具 举报

规矩湾锦苑 发表于 2012-6-3 15:53:38 | 显示全部楼层
本帖最后由 规矩湾锦苑 于 2012-6-3 16:04 编辑

1.被测要素的识别:
  被测要素是12个Φ4孔的轴心线。
2.基准要素的识别:
  由底平面基准B、Φ47外圆基准A和理论正确尺寸Φ36构成的几何框架。
3.被测要素的要求:
  12个Φ4孔的轴心线构成的圆柱直径为理论正确尺寸Φ36,且构成的圆柱之轴心线与基准A的轴心线重合,每个孔的轴心线均垂直于平面基准B,这种位置度误差不超过Φ0.04。
  残缺说明:本图纸没有要求12个Φ4的孔是否在理论正确尺寸Φ36上均匀分布,因此理论上可以理解为无需均匀分布,这似乎有失常理,感觉上“12孔Φ4”漏掉了“均布”两个字。“均布”两个字具有“理论正确尺寸”的价值,对基准要素的构成举足轻重,不可忽略。应该询问设计人员12个被测孔是否的确不需要均匀分布。
4.测量方法:
①检验Φ47外圆的圆柱度和与底平面的垂直度,虽然外径尺寸大小不做要求,但是它是第一个基准要素,必须控制其形位误差,按常规公差带可控制在Φ0.04的1/3至1/10。
②检验第二个基准要素,底平面B的平面度误差,控制要求同上。
③将工件置于三坐标测量机工作台或者万能工具显微镜玻璃工作台上,利用CCD测量系统或者影像法检测12个孔的圆心坐标。并将12个孔的圆心拟合成一个圆。
④12个孔拟合的圆直径应为理论正确尺寸Φ36。
⑤12个孔拟合的圆与基准外圆A两者圆心应重合,其重合度和12个孔的圆心坐标组成的孔组的圆度误差不超过Φ0.04。
⑤如果有均匀分布的理论正确尺寸要求,还应该按4楼所述方法或者其它方法计算和评定每个孔相互之间的距离均匀性。
回复 支持 反对

使用道具 举报

zyf3758 发表于 2012-7-16 10:48:39 | 显示全部楼层
使用编程测量,极坐标方法,输入角度和半径长度,直接定12个测量孔,注意开始初建坐标系选任意一个孔就好了
回复 支持 反对

使用道具 举报

biaofeng 发表于 2012-12-7 12:36:40 | 显示全部楼层
学习ing!遇到相同问题!
回复 支持 反对

使用道具 举报

luozipeng 发表于 2013-2-19 12:31:59 | 显示全部楼层

标题

回复 5# 规矩湾锦苑


    规矩兄你说的第五条圆度误差不超过怀0.04。圆度是半径差你说的怀0.04我不理解
回复 支持 反对

使用道具 举报

规矩湾锦苑 发表于 2013-2-19 23:10:31 | 显示全部楼层
回复 8# luozipeng

  12个孔的圆心坐标组成的孔组是一个圆,理论正确尺寸Φ36,这个理论正确尺寸与基准A、基准B共同构成一个几何框架,该几何框架就是本被测件的“基准要素”(基准系统)。
  被测要素是12个Φ4的孔,图纸要求每个被测孔相对于那个以几何框架为基准要素的位置度误差不超过Φ0.04。形位公差的标注中使用的是独立原则,未使用最大实体要求等,因此形位误差与尺寸误差相互独立,位置度公差要求的Φ0.04不受尺寸误差影响。那么因为12个孔的圆心产生的位置度不同,理论正确尺寸Φ36那个圆是不是就不是理论圆了啊,是不是存在不圆度的问题啊?我的意思就是说这个Φ36的圆之圆度误差不能大于Φ0.04,如果12个孔圆心组成的实际轮廓圆度误差>Φ0.04,就可以直接判定被测件位置度误差超差,做出不合格结论。
  另外,形位误差均指全值,圆度误差也不例外,圆度误差的公差带指的是直径而不是半径,所以圆度误差不是半径差。
回复 支持 反对

使用道具 举报

lcatei 发表于 2013-2-27 00:15:07 | 显示全部楼层
呵呵,有误啦。

首先,这图的标注是有问题的,应该是B为第一基准,A为第二基准,原因的话,请楼主检查一下这工件怎么用的。

在这图中,基准体系中还有一个自由度没约束,这就是平面中的方向,关键这方向靠什么定。这应该是12孔与理论12孔中心线之间的最佳拟合确定。然后评定这12孔的中心的位置度。

标注中还有问题就是,12后面应该是“X”号,作为一组,不然就是单个,完全独立了。
还有,这12孔的均布,一般需要标EQS,表示均布,但在GB/T 13319中,缺省认为是均布。
回复 支持 反对

使用道具 举报

您需要登录后才可以回帖 登录 | 立即注册

本版积分规则

Archiver|手机版|小黑屋|计量论坛 ( 闽ICP备06005787号-1|闽公网安备35020602000072号 )
电话:0592-5613810 QQ:473647 微信:gfjlbbs 原国防计量论坛(-=始于2005年=-)

GMT+8, 2026-4-6 18:24

Powered by Discuz! X3.5

© 2001-2026 Discuz! Team.

快速回复 返回顶部 返回列表