找回密码
 立即注册

QQ登录

只需一步,快速开始

搜索

[工程参量] 关于位置度的测量,请教大家一下

[复制链接]
mcb967 发表于 2012-8-10 08:43:08 | 显示全部楼层 |阅读模式
1.JPG 2.JPG 3.JPG







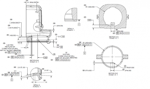
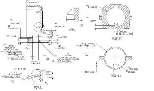
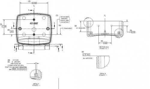
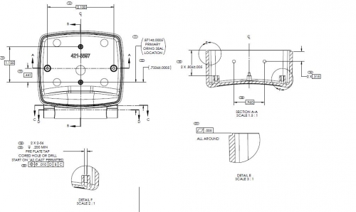
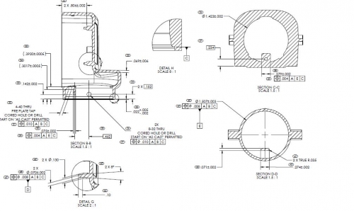
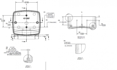
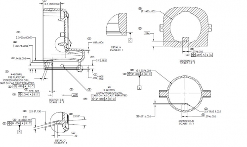
中间图中的位置度如何解释,请帮忙看一下,如何用CMM测量.
yj407 发表于 2012-8-14 18:10:42 | 显示全部楼层
你是指中间那个DBC为基准的位置度吗?我想这样测,仅供参考
1、以A基准面建第一轴(设为Z轴),并归Z向零点。
2、D基准圆归Y轴零点、打C基准平面,并将C基准面以Y轴方向找正。
3、取外形两侧的最高点,将其中点归X轴零点。
4、分别评价这两个螺丝孔的位置度,其X、Y理论值为(1.05,0.441)、(-1.05,0.441)。
回复 支持 反对

使用道具 举报

您需要登录后才可以回帖 登录 | 立即注册

本版积分规则

Archiver|手机版|小黑屋|计量论坛 ( 闽ICP备06005787号-1|闽公网安备35020602000072号 )
电话:0592-5613810 QQ:473647 微信:gfjlbbs 原国防计量论坛(-=始于2005年=-)

GMT+8, 2026-4-7 02:05

Powered by Discuz! X3.5

© 2001-2026 Discuz! Team.

快速回复 返回顶部 返回列表